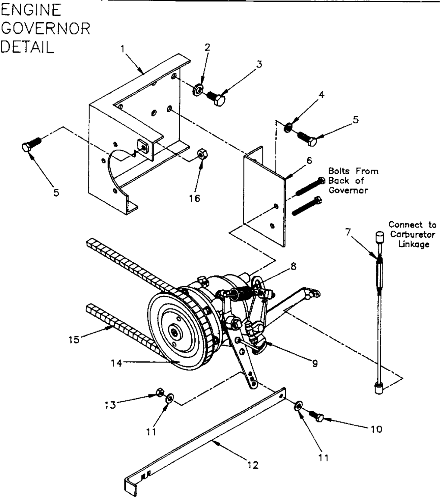
Nissan Assembly Rod Governor Linkage
This rod is a new original part.
It attached to the carburetor on a Nissan A15/A12 engine used on Prochem Performer and Prochem Performer 405. It may work with other truckmounts too.
#7 In picture Diagram.

Part Numbers
42-902200
8.618-883.0
118386